I have bought a new jayco journey caravan and would like to isolate the on board agm battery between trips, unfortunately I cant locate the battery isolation switch,can anyone help please.
If anyone has useful dos and donts about a new van setup it would be appreciate.
Tony Bev said
05:51 PM Jul 16, 2021
I have a Jayco Conquest, so the 12 volt house battery isolation switch, is probably in a different position
An easy way to find this switch (if you have one) is to
Switch all the interior light on
Any switch you are not familiar with, switch it OFF
If nothing happens within a few seconds, then switch that switch ON again
Repeat steps 2 and 3, until you find the isolation switch
Mine is a little inconspicuous switch, near the main breaker switch, for the 240 volt inlet (I have now marked it on/off)
When you find your battery isolation switch, can you let us all know, as it may help others in the future
Warren-Pat_01 said
05:58 PM Jul 16, 2021
Hi Snubby,
This all depends on how it's wired but there should be a switch marked Battery Switch or something similar near the Setec Power Supply & fuse box.
On my Discovery it's near the Pump switch.
However it all depends on how it's wired. Is there a basic circuit/block diagram in your Owner's Handbook? You may have to check it out with an auto electrician if someone here can't help you - or get one installed.
BaldEd said
06:58 PM Jul 16, 2021
Snubby: Seeing it is a new van your best course would be to ask the retailer you bought it from?
What power supply unit do you have fitted? Jayco over the years have changed models of the 12v power supply unit. My 2016 model is fitted with a SETEC unit. They have since then changed to a BMPRO unit and now I see the latest units at manufactured by PROJECTA. The wiring of all these units are likely to be different.
Do you have factory fitted solar panel(s)?
And are you sure you have an AGM battery? Jayco supplied my 16-51-3 with GEL batteries. There are different charging regimes for the different battery types.
-- Edited by BaldEd on Saturday 17th of July 2021 01:33:13 PM
Whenarewethere said
07:38 PM Jul 16, 2021
When you ask the dealer. Say you need a wiring diagram so I do not get electrocuted otherwise my wife's lawyer will be contacting you!
PeterD said
11:37 PM Jul 16, 2021
When you go looking for the isolation switch don't go looking for a substantial switch. It will most likely be a 230 V type light switch. These switches do not carry much current they just control a relay in the power supply unit. That relay is the switch that actually isolates the battery
Use Tony Bev's directions but first make sure that the van is not connected to the mains power. Another tip is to only isolate the battery when it is in storage and there is no mains power to the van - if you do have the van connected to the mains you need to have the battery connected so the power supply will maintain the battery.
-- Edited by PeterD on Friday 16th of July 2021 11:39:09 PM
Possum3 said
07:22 AM Jul 17, 2021
Whenarewethere wrote:
When you ask the dealer. Say you need a wiring diagram
I am unaware of any caravan manufacturer in Australia ever producing wiring diagrams - they buy standard looms from china and have them "installed" by factory assemblers - very rare for ant two to be similar.
Whenarewethere said
07:34 AM Jul 17, 2021
I have a wiring diagram for my Land Rover which is one of the most complex cars.
I don't see the difficulty having a wiring diagram for a simple box.
Personally I would put my old skills of sitting in the suppliers office with a book to read & food & water & will not leave until I get what I want. Even been threatened with police.
It has always worked, but you need to be prepared to stay for days.
Be firm but always polite.
BaldEd said
08:04 AM Jul 17, 2021
Another thing to realise is that probably not all 12v appliances will wired through the power supply unit. There are likely to be some things wired directly across the battery terminals each with their own fuses e.g. diesel heater, gas defectors, battery monitors, inverters etc.
In my van, with solar panels, I just use the SETEC disconnect switch to disable all appliances powered via SETEC but leave everything else connected BUT TURNED OFF (if they have their own switches). The only things left continually powered up are the gas detector and the shunt-powered battery monitor (both don't have switches). Both draw only miniscule amounts of power from the battery that is being continually charged from the solar panels during storage. After parking up for the winter, come spring the caravan is ready to hit the road with fully charged battery.
What you need to do is be brave and lift the cover of your battery box and sort out, and label, the rats nest of wires and fuses that the factory has stuffed under it (it took me 12 months to work up the courage to do that ).
PeterD said
08:58 AM Jul 17, 2021
Possum3 wrote: - they buy standard looms from china and have them "installed" by factory assemblers - very rare for ant two to be similar.
That is not my experience. Vans are hand wired and each installer uses his own wiring routes.
Mamil said
01:36 PM Jul 17, 2021
It's interesting about the lack of wiring diagrams from Australian caravan suppliers. I've heard many excuses given ranging from the fact they are all different, to it being sensitive commercial intellectual property! I tend to think they just can't be bothered, and it's a big omission IMHO, especially for those of us who like to do modifications to the electrical systems as we have to spend an inordinate amount of time and effort to trace all the existing wiring first.
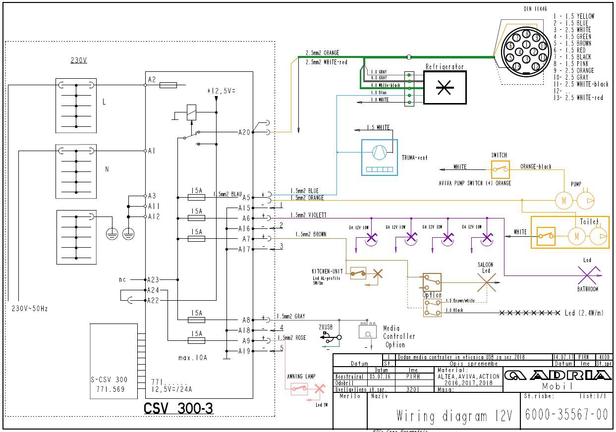
I had the pleasure of owning a European made caravan for a few years - an Adria, made in Slovenia. It came with a 120 page handbook explaining all the aspects of ownership and maintenance, and yes - including a full wiring diagram, and I have to say that the quality of the wiring was far above anything I've owned from an Australian manufacturer, every wire colour coded, quality terminations, adequate wire sizes. So, it can be done, it's just the Australian manufacturers are lagging behind in this department!
This is the wiring diagram that came with my Adria...
My van's wiring is/was a rats nest of substandard wiring that I have fixed over the years & added appropriate protection. Early in the bit I drew up a series of wiring diagrams & explanation notes. It is astounding that very few if any AU manufacturers have upped their game despite inflating their prices at an alarming rate. Even so there is a steady flow of them going out of business. Poor businesspeople in my view.
My van had no battery cut off switch .. The sales person suggested that I take out the in line fuse! I installed an appropriate switch, but I rarely use it as I prefer to keep the battery on float.
ps. I have also put together a comprehensive Owner's Manual that covers all of the appliances and fittings, with particular emphasis on things that I have fitted .... plus the wiring diagrams and my service/maintenance/repair records.
If you were establishing a caravan manufacturing business isn't this one of the basic things that you would do?
-- Edited by Cupie on Saturday 17th of July 2021 03:05:43 PM
Mamil said
03:56 PM Jul 17, 2021
Cupie wrote:
My van had no battery cut off switch .. The sales person suggested that I take out the in line fuse! I installed an appropriate switch, but I rarely use it as I prefer to keep the battery on float.
Hi Cupie, you sound like an organised person like me! And with regards to the battery isolator, yes that's one of the omissions that particularly puzzles me. Even the Adria didn't have a battery isolator switch, but I suspect that's because the battery was added by the importer here in Australia, so I added one myself.
My new camper trailer also didn't have one, and this time I tried something a little different to the normal auto-type single pole isolator switch. I used a double pole DC circuit breaker to act as overload protection and isolating switch in one, and with the bonus that it breaks both the positive and negative. Did the same for the solar as I don't like to disconnect the solar Anderson plug under load. You can see them on the right of the electrical panel...
-- Edited by Mamil on Saturday 17th of July 2021 08:09:55 PM
Hi everyone
Many thanks for all your suggestions, I think I may have found the on/off battery isolater. My van has a small panel that has 4 touch points, one of which is PWR, when I press it the battery goes off line, and pressed again goes on, the only thing is you need a humongous magnifying glass to see it. Im going to keep tabs on it and make sure its the right switch.
Snubby said
11:23 PM Jul 17, 2021
Hi again
I am led to believe that the battery should not be left on permanent external charge, as this may cook it. It has been suggested that it be charged for 48 hours every 2 weeks. The van has solar, but this winter has been a bit overcast most days.
PeterD said
11:35 PM Jul 17, 2021
David, What charging system do you have in your van? Please supply the make and model number. If you have a good charging system you leave the power switched on to keep the battery float charge applied to the battery. What is your solar system? Please supply the panel size plus the make and model of the controller. That should keep your battery maintained without any mains powered battery charging (the solar will not be much use to you for free camping it can not maintain the battery when you are at home.)
Radar said
07:28 AM Jul 18, 2021
Hi Cupie, you sound like an organised person like me! And with regards to the battery isolator, yes that's one of the omissions that particularly puzzles me. Even the Adria didn't have a battery isolator switch, but I suspect that's because the battery was added by the importer here in Australia, so I added one myself.
My new camper trailer also didn't have one, and this time I tried something a little different to the normal auto-type single pole isolator switch. I used a double pole DC circuit breaker to act as overload protection and isolating switch in one, and with the bonus that it breaks both the positive and negative. Did the same for the solar as I don't like to disconnect the solar Anderson plug under load. You can see them on the right of the electrical panel...
__---------
That is a beautiful artistic bit of work. Very neat.
Cupie said
09:18 AM Jul 18, 2021
Radar wrote:
Hi Cupie, you sound like an organised person like me! And with regards to the battery isolator, yes that's one of the omissions that particularly puzzles me. Even the Adria didn't have a battery isolator switch, but I suspect that's because the battery was added by the importer here in Australia, so I added one myself.
My new camper trailer also didn't have one, and this time I tried something a little different to the normal auto-type single pole isolator switch. I used a double pole DC circuit breaker to act as overload protection and isolating switch in one, and with the bonus that it breaks both the positive and negative. Did the same for the solar as I don't like to disconnect the solar Anderson plug under load. You can see them on the right of the electrical panel...
__---------
That is a beautiful artistic bit of work. Very neat.
Yep, great job. Far superior to mine. You've set me another project it seems. LOL
Mamil said
01:11 PM Jul 18, 2021
Cupie wrote:
Radar wrote:
__---------
That is a beautiful artistic bit of work. Very neat.
Yep, great job. Far superior to mine. You've set me another project it seems. LOL
Thanks guys, it's been a long project but getting close to the end now and I'm generally happy with the results. I'm just wiring the the panel into the camper this weekend which has it's own challenges as there's so little room to work in there and I've gone for some large cable sizes to keep the dreaded volt drop to a minimum
-- Edited by Mamil on Sunday 18th of July 2021 01:18:26 PM
Is that a commercially made unit Mamil or a one-off, made to suite?
You might get some orders
Mamil said
03:52 PM Jul 18, 2021
Warren-Pat_01 wrote:
Is that a commercially made unit Mamil or a one-off, made to suite?
You might get some orders
Haha, I'm flattered you need to ask!
My new camper trailer came with quite a basic electrical system and I ripped it all out and started again. I made my panel to fit in the exact same spot as the original one.
Is that a commercially made unit Mamil or a one-off, made to suite?
You might get some orders
Haha, I'm flattered you need to ask!
My new camper trailer came with quite a basic electrical system and I ripped it all out and started again. I made my panel to fit in the exact same spot as the original one.
Hi members
I have bought a new jayco journey caravan and would like to isolate the on board agm battery between trips, unfortunately I cant locate the battery isolation switch,can anyone help please.
If anyone has useful dos and donts about a new van setup it would be appreciate.
I have a Jayco Conquest, so the 12 volt house battery isolation switch, is probably in a different position
An easy way to find this switch (if you have one) is to
Mine is a little inconspicuous switch, near the main breaker switch, for the 240 volt inlet (I have now marked it on/off)
When you find your battery isolation switch, can you let us all know, as it may help others in the future
This all depends on how it's wired but there should be a switch marked Battery Switch or something similar near the Setec Power Supply & fuse box.
On my Discovery it's near the Pump switch.
However it all depends on how it's wired. Is there a basic circuit/block diagram in your Owner's Handbook? You may have to check it out with an auto electrician if someone here can't help you - or get one installed.
Snubby:
Seeing it is a new van your best course would be to ask the retailer you bought it from?
What power supply unit do you have fitted? Jayco over the years have changed models of the 12v power supply unit. My 2016 model is fitted with a SETEC unit. They have since then changed to a BMPRO unit and now I see the latest units at manufactured by PROJECTA. The wiring of all these units are likely to be different.
Do you have factory fitted solar panel(s)?
And are you sure you have an AGM battery? Jayco supplied my 16-51-3 with GEL batteries. There are different charging regimes for the different battery types.
-- Edited by BaldEd on Saturday 17th of July 2021 01:33:13 PM
When you ask the dealer. Say you need a wiring diagram so I do not get electrocuted otherwise my wife's lawyer will be contacting you!
When you go looking for the isolation switch don't go looking for a substantial switch. It will most likely be a 230 V type light switch. These switches do not carry much current they just control a relay in the power supply unit. That relay is the switch that actually isolates the battery
Use Tony Bev's directions but first make sure that the van is not connected to the mains power. Another tip is to only isolate the battery when it is in storage and there is no mains power to the van - if you do have the van connected to the mains you need to have the battery connected so the power supply will maintain the battery.
-- Edited by PeterD on Friday 16th of July 2021 11:39:09 PM
I am unaware of any caravan manufacturer in Australia ever producing wiring diagrams - they buy standard looms from china and have them "installed" by factory assemblers - very rare for ant two to be similar.
I have a wiring diagram for my Land Rover which is one of the most complex cars.
I don't see the difficulty having a wiring diagram for a simple box.
Personally I would put my old skills of sitting in the suppliers office with a book to read & food & water & will not leave until I get what I want. Even been threatened with police.
It has always worked, but you need to be prepared to stay for days.
Be firm but always polite.
In my van, with solar panels, I just use the SETEC disconnect switch to disable all appliances powered via SETEC but leave everything else connected BUT TURNED OFF (if they have their own switches). The only things left continually powered up are the gas detector and the shunt-powered battery monitor (both don't have switches). Both draw only miniscule amounts of power from the battery that is being continually charged from the solar panels during storage. After parking up for the winter, come spring the caravan is ready to hit the road with fully charged battery.
What you need to do is be brave and lift the cover of your battery box and sort out, and label, the rats nest of wires and fuses that the factory has stuffed under it (it took me 12 months to work up the courage to do that
That is not my experience. Vans are hand wired and each installer uses his own wiring routes.
It's interesting about the lack of wiring diagrams from Australian caravan suppliers. I've heard many excuses given ranging from the fact they are all different, to it being sensitive commercial intellectual property! I tend to think they just can't be bothered, and it's a big omission IMHO, especially for those of us who like to do modifications to the electrical systems as we have to spend an inordinate amount of time and effort to trace all the existing wiring first.
I had the pleasure of owning a European made caravan for a few years - an Adria, made in Slovenia. It came with a 120 page handbook explaining all the aspects of ownership and maintenance, and yes - including a full wiring diagram, and I have to say that the quality of the wiring was far above anything I've owned from an Australian manufacturer, every wire colour coded, quality terminations, adequate wire sizes. So, it can be done, it's just the Australian manufacturers are lagging behind in this department!
This is the wiring diagram that came with my Adria...
Mamil ....
How true
My van's wiring is/was a rats nest of substandard wiring that I have fixed over the years & added appropriate protection. Early in the bit I drew up a series of wiring diagrams & explanation notes. It is astounding that very few if any AU manufacturers have upped their game despite inflating their prices at an alarming rate. Even so there is a steady flow of them going out of business. Poor businesspeople in my view.
My van had no battery cut off switch .. The sales person suggested that I take out the in line fuse! I installed an appropriate switch, but I rarely use it as I prefer to keep the battery on float.
ps. I have also put together a comprehensive Owner's Manual that covers all of the appliances and fittings, with particular emphasis on things that I have fitted .... plus the wiring diagrams and my service/maintenance/repair records.
If you were establishing a caravan manufacturing business isn't this one of the basic things that you would do?
-- Edited by Cupie on Saturday 17th of July 2021 03:05:43 PM
Hi Cupie, you sound like an organised person like me! And with regards to the battery isolator, yes that's one of the omissions that particularly puzzles me. Even the Adria didn't have a battery isolator switch, but I suspect that's because the battery was added by the importer here in Australia, so I added one myself.
My new camper trailer also didn't have one, and this time I tried something a little different to the normal auto-type single pole isolator switch. I used a double pole DC circuit breaker to act as overload protection and isolating switch in one, and with the bonus that it breaks both the positive and negative. Did the same for the solar as I don't like to disconnect the solar Anderson plug under load. You can see them on the right of the electrical panel...
-- Edited by Mamil on Saturday 17th of July 2021 08:09:55 PM
Many thanks for all your suggestions, I think I may have found the on/off battery isolater. My van has a small panel that has 4 touch points, one of which is PWR, when I press it the battery goes off line, and pressed again goes on, the only thing is you need a humongous magnifying glass to see it. Im going to keep tabs on it and make sure its the right switch.
I am led to believe that the battery should not be left on permanent external charge, as this may cook it. It has been suggested that it be charged for 48 hours every 2 weeks. The van has solar, but this winter has been a bit overcast most days.
Hi Cupie, you sound like an organised person like me! And with regards to the battery isolator, yes that's one of the omissions that particularly puzzles me. Even the Adria didn't have a battery isolator switch, but I suspect that's because the battery was added by the importer here in Australia, so I added one myself.
My new camper trailer also didn't have one, and this time I tried something a little different to the normal auto-type single pole isolator switch. I used a double pole DC circuit breaker to act as overload protection and isolating switch in one, and with the bonus that it breaks both the positive and negative. Did the same for the solar as I don't like to disconnect the solar Anderson plug under load. You can see them on the right of the electrical panel...
__---------
That is a beautiful artistic bit of work. Very neat.
Yep, great job. Far superior to mine. You've set me another project it seems. LOL
Thanks guys, it's been a long project but getting close to the end now and I'm generally happy with the results. I'm just wiring the the panel into the camper this weekend which has it's own challenges as there's so little room to work in there and I've gone for some large cable sizes to keep the dreaded volt drop to a minimum
-- Edited by Mamil on Sunday 18th of July 2021 01:18:26 PM
You might get some orders
Haha, I'm flattered you need to ask!
My new camper trailer came with quite a basic electrical system and I ripped it all out and started again. I made my panel to fit in the exact same spot as the original one.
Original...
My new one, cut from 3mm aluminium plate...