This is my personal experience in using a bar fridge in a caravan. It was a new fridge in 2007 when purchased & cost $80. It had to run off a Honda EM500U generator (450Watt) as well as a 300watt Modified sinewave inverter. As purchased it wouldn't run on either powersupply as the start current was too high. One option was see if the orig compressor would star by fitting a start capacitor, this didn't work. Next step was fit a Sanyo compressor that I knew would start with those powersuplies by fitting a start capacitor. In one picture is the original specs & the specs of the sanyo compressor along side. The current draw after about 20 min is .45A on 250Vac (what we have here). The condencer pipes are in the side walls on this fridge as are most these days. Pics of the Evap temp & discharge pipe 40 mm from the compressor. The fridge when in my van had about 50mm clearance on the sides but was fitted where the orig 3 way fridge was. This fridge did work well in all heats & on the generator & the 300W inverter when travelling On 12 Vdc the inverter drew a bout 10Amps. It wasn't ideal but at the time was affordable for me. After about 2 years I was able to afford a Waeco 80L 12V dc upright fridge, that fitted in the same space. And runs of 100W solar & battery, This set up I find better than the bar fridge in the long run.
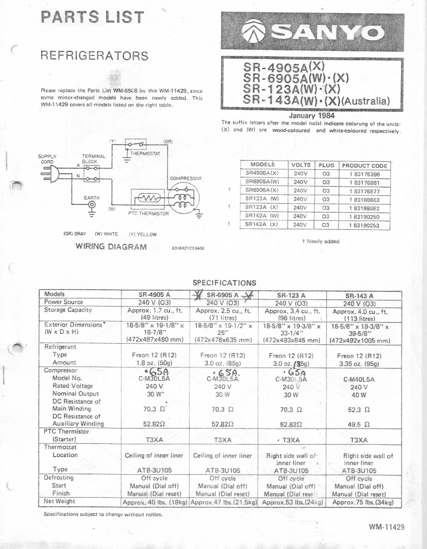
Interesting, heres the specs on the sanyo fridge that the compressor came out off, the 70liter one. The current draw in the orig picture of .45A is with 250V ac.
This is my personal experience in using a bar fridge in a caravan. It was a new fridge in 2007 when purchased & cost $80. It had to run off a Honda EM500U generator (450Watt) as well as a 300watt Modified sinewave inverter. As purchased it wouldn't run on either powersupply as the start current was too high. One option was see if the orig compressor would star by fitting a start capacitor, this didn't work. Next step was fit a Sanyo compressor that I knew would start with those powersuplies by fitting a start capacitor. In one picture is the original specs & the specs of the sanyo compressor along side. The current draw after about 20 min is .45A on 250Vac (what we have here). The condencer pipes are in the side walls on this fridge as are most these days. Pics of the Evap temp & discharge pipe 40 mm from the compressor. The fridge when in my van had about 50mm clearance on the sides but was fitted where the orig 3 way fridge was. This fridge did work well in all heats & on the generator & the 300W inverter when travelling On 12 Vdc the inverter drew a bout 10Amps





. It wasn't ideal but at the time was affordable for me. After about 2 years I was able to afford a Waeco 80L 12V dc upright fridge, that fitted in the same space. And runs of 100W solar & battery, This set up I find better than the bar fridge in the long run.
These are the temps on the sides of the fridge where the condencer pipes are, the Amb temp was 31 Deg C.



Hi DB
Perhaps you mean 160VA??
PeterQ
Interesting, heres the specs on the sanyo fridge that the compressor came out off, the 70liter one. The current draw in the orig picture of .45A is with 250V ac.
HI DB
Again that 240V x0.65A=156VA ![Seems to be an awfully poor PF]
Do you have a meter that shows PF?
Even though the power rating is only 30W
PeterQ
Edit. I just looked closer the 30W is nominal OUTPUT??? Not input!!
-- Edited by oldtrack123 on Thursday 19th of March 2015 08:44:36 PM